8 (800) 302-69-26
moto4x4@list.ru
Вход
Регистрация
discovery_black
Каталог
Снегоходы «РУССКАЯ МЕХАНИКА»
БУРАН
Тайга
RM Vector
TIKSY
Квадроциклы «РУССКАЯ МЕХАНИКА»
ATV
Запчасти "Русская Механика"
Для снегоходов (оригинальный каталог)
FRONTIER 1000
RM Vector 551/i
TIKSY
TIKSY 2T
TIKSY 500 4T
Буран 2Т
Буран 4Т
Буран Лидер
СММ РЫБИНКА M10000010 (выпуск с 11.2011 по 07.2012)
СММ РЫБИНКА M10000010-01 (выпуск с 09.2012 по 10.2013)
Средство малой механизации РЫБИНКА -04
Тайга Patrul 550 SWT
Тайга Patrul 551 SWT
Тайга Patrul 800 SWT
Тайга Атака 551 II
Тайга Барс 850
Тайга Варяг 500/Классика
Тайга Варяг 550
Тайга Варяг 550 V
Тайга РМ Рысь
Запчасти для снегоходов
FRONTIER 1000
Двигатели снегоходов
Запчасти Буран 2Т, ЛИДЕР
Запчасти Буран 4Т
Запчасти Рыбинка, Тайга Рысь
Запчасти Тайга PATRUL 800, БАРС 850
Запчасти Тайга Patrul SWT 550, ВАРЯГ 550
Запчасти Тайга Атака 551, PATRUL 551, VEKTOR 551
Запчасти Тайга Варяг 500/Классика
Запчасти ТИКСИ
Каталоги, руководства и инструменты
Для квадроциклов (оригинальный каталог)
1000
650
800
GAMAX AX600
Persheron CF500
Мотовездеход Рысь 110 (B3)
Мотовездеход Рысь 110U (B2)
Мотовездеход Рысь 125 sport (B4)
Мотовездеход Рысь 150 (B5)
Мотовездеход Рысь 400
Мотовездеход Рысь 50 (B1)
Мотовездеход Рысь 50M
Мотовездеход Рысь 50S
Снегоболотоход "РМ 650-2"
Снегоболотоход "РМ 650"
Снегоболотоход "РМ 800 UTV"
Снегоболотоход РМ 500-2
Снегоболотоход РМ 800
Снегоболотоход РМ-500
Снегоболотоход Рысь 500
Аксессуары «РУССКАЯ МЕХАНИКА»
Аксессуары для квадроциклов
Аксессуары для снегоходов
Электрооборудование
Снегоходы SPARTAN
Сани-волокуши, прицепы
0
Сравнение
0
Избранное
0
Корзина
Главная
Доставка
Гарантия
Компания
Контакты
Главная
Каталог товаров
Запчасти "Русская Механика"
Для снегоходов (оригинальный каталог)
Буран 4Т
Крепление двигателя Kohler
Фильтр
Подбор параметров
Розничная цена
11
20.50
30
39.50
49
В наличии
В наличии (
3
)
Выбрано:
0
Показать
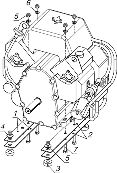
Крепление двигателя Kohler
7 товаров
Поз.
Код товара
Наименование
Цена за штуку
Позиция:
1
Артикул:
0103604
Основание двигателя 110502011
Нет в наличии
Позиция на схеме
1
Позиция:
2
Артикул:
0103605
Основание двигателя 110502012
Нет в наличии
Позиция на схеме
2
Позиция:
3
Артикул:
0010028
Амортизатор 110100088
Цена за штуку:
49 ₽
В корзину
Позиция на схеме
3
Позиция:
4
Артикул:
0054896
Шайба 10 DIN 9021-P
Цена за штуку:
12 ₽
В корзину
Позиция на схеме
4
Позиция:
5
Артикул:
0053302
Гайка М10 DIN 985-10Р
Цена за штуку:
27 ₽
В корзину
Позиция на схеме
5
Позиция:
6
Артикул:
0054885
Шайба 10 DIN 125-PA
Цена за штуку:
11 ₽
В корзину
Позиция на схеме
6
Позиция:
7
Артикул:
0068953
Болт М10х45 DIN 931-88P
Цена за штуку:
29 ₽
В корзину
Позиция на схеме
7
Продолжая использовать сайт, вы соглашаетесь с
политикой использования
файлов cookie.
OK